Tuotteet
Valuteräksinen takaiskuventtiili
  • Valuteräksinen takaiskuventtiiliValuteräksinen takaiskuventtiili

Valuteräksinen takaiskuventtiili

Jinqiu Valve valmistaa korkealaatuisia valuteräksisiä takaiskuventtiilejä, jotka ovat automaattisia venttiileitä, jotka avautuvat automaattisesti väliaineen virtauspaineen perusteella ja sulkeutuvat automaattisesti painovoiman tai vastapaineen vaikutuksesta, kun väliaine virtaa taaksepäin. Nämä venttiilit soveltuvat erilaisiin teollisuusputkiin, ne on tyypillisesti valmistettu valuteräksestä ja soveltuvat erilaisiin väliaine- ja lämpötilaolosuhteisiin.

Jinqiu Valven tehtaan kestävä valuteräksinen takaiskuventtiili on symmetrinen molemmilta puolilta, mikä mahdollistaa kaksisuuntaisen väliaineen virtauksen. Asennus on yksinkertaista, joten putkilinjan suuntaa ei tarvitse harkita, ja käyttö on joustavaa ja kätevää. Tehtaamme noudattaa ensin eheyden ja laadun periaatteita. Olemme erittäin tervetulleita tiedusteluihin ja toivomme voivamme luoda kanssasi pitkäaikaisen yhteistyösuhteen. Meillä on etuja valmistuksessa, kun taas sinulla on etuja myynnissä. Uskomme, että yhteistyöllä voimme saavuttaa win-win-tilanteen, ja toivomme kasvavan yhdessä!


1. Matala nestevastus: Valuteräksisen takaiskuventtiilin sisäinen väliaine virtaa suorassa linjassa minimaalisella vastuksella, mikä helpottaa nesteen sujuvaa kulkua, energiatehokkuutta ja käytännöllisyyttä.
2. Helppo avata ja sulkea: Valuteräksisen takaiskuventtiilin portti liikkuu pystysuunnassa nesteen mukana, mikä vaatii minimaalista voimaa avautua ja sulkea, mikä yksinkertaistaa toimintaa ja säästää työvoimakustannuksia.
3. Rajoittamaton väliaineen virtaussuunta: Valuteräksinen takaiskuventtiili on symmetrinen molemmilta puolilta, mikä mahdollistaa kaksisuuntaisen väliaineen virtauksen. Asennus ei vaadi putkilinjan virtaussuunnan huomioon ottamista, mikä tekee käytöstä joustavaa ja kätevää.
4. Erinomainen tiivistyskyky: Kuluminen on minimaalista täysin auki; suljettuna paine voi pakottaa tiivisteen, mikä estää tehokkaasti väliaineen vuotamisen.

Suorituskykyparametrit

malli H44H-16C~2 = -0 H44W-16P ~ 250
Työpaine (MPa) 1,6-25
oikea lämpötila (℃) ≤425 ≤550
Sopiva media Vesi, höyry, öljy Heikko syövyttävä väliaine
materiaalia Runko, konepelti, levy Hiiliteräs Kromi-nikkeli-titaani ruostumaton teräs
Tiivistyspinta Hiiliteräksen pintakäsittely rautapohjaiset seokset Runko sinetöity

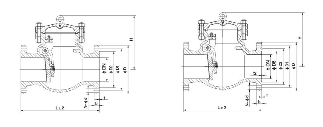
Päämuoto ja liitännän mitat

NimellishalkaisijaDN Päämitat ja liitosmitat
L D D1 D2 b Z-d H
H44H-16C H44W-16C H44W-16P H44W-16R H44W-16I
25 160 115 85 65 16 4-14 100
32 180 135 100 78 16 4-18 105
40 200 145 100 85 16 4-18 115
50 230 160 125 100 16 4-18 135
65 290 180 145 120 18 4-18 142
80 310 195 160 135 20 8-18 165
100 350 215 180 155 20 8-18 180
125 400 245 210 185 22 8-18 210
150 480 280 240 210 24 8-23 233
200 500 335 295 265 26 12-23 304
250 550 405 355 320 30 12-25 348
300 650 460 410 375 30 12-25 390
350 750 520 470 435 34 16-25 430
400 850 580 525 485 36 16-30 468
H44H-25 H44W-25 H44W-25P H44W-25R H44W-25I
25 160 115 85 65 16 4-14 100
32 180 135 100 78 16 4-18 105
40 200 145 110 85 16 4-18 115
50 230 160 125 100 20 4-18 160
65 290 180 145 120 22 8-18 175
80 310 195 160 135 22 8-18 185
100 350 230 190 160 24 8-23 220
125 400 270 220 188 28 8-25 248
150 480 300 250 218 30 8-25 276
200 550 360 310 278 34 12-25 350
250 650 425 370 332 36 12-30 410
300 750 485 430 390 40 16-30 430
350 850 550 490 448 44 16-34 518
400 950 610 550 505 48 16-34 560

Rakenne kuva

Hot Tags: Valuteräksinen takaiskuventtiili, Kiina, räätälöity, laatu, kestävä, edistynyt, valmistaja, toimittaja, tehdas, varastossa
Lähetä kysely
Yhteystiedot
  • Osoite

    No.1, North 1st Road, Stainless Steel New Town, Lecong Steel World West Road, Shunde District, Foshan City, Guangdongin maakunta, Kiina

  • Sähköposti

    jinqiufamen@gmail.com

Jos sinulla on kysyttävää luistiventtiileistä, palloventtiileistä ja takaiskuventtiileistä tai hinnastosta, jätä meille sähköpostiosoitteesi, niin otamme sinuun yhteyttä 24 tunnin sisällä.

X
Käytämme evästeitä tarjotaksemme sinulle paremman selauskokemuksen, analysoidaksemme sivuston liikennettä ja mukauttaaksemme sisältöä. Käyttämällä tätä sivustoa hyväksyt evästeiden käytön. Tietosuojakäytäntö
Hylätä Hyväksyä