Tuotteet
API tarkistusventtiili
  • API tarkistusventtiiliAPI tarkistusventtiili

API tarkistusventtiili

Jinqiu Valven korkealaatuiset API-takaiskuventtiilit täyttävät ASME-, API- ja GB-standardit. Edistyneillä CNC-työstökeskuksilla ja metallinleikkauslaitteilla varustettu yritys käyttää CAD/CAM-tekniikkaa tuotesuunnittelussa ja valmistuksessa noudattaen ISO9001-standardeja varmistaakseen API-takaiskuventtiiliosien tarkkuuden ja laadun.

Jinqiu Valve, ammattimainen takaiskuventtiilien valmistaja Kiinassa, API-takaiskuventtiilimme on suunniteltu ja valmistettu täysin amerikkalaisten standardien mukaisesti. Näissä venttiileissä on esteettisesti miellyttävä rakenne ja edistynyt tekniikka. API-takaiskuventtiilit avaavat ja sulkevat automaattisesti venttiililevyn itse väliaineen virtauksen perusteella estämään takaisinvirtauksen. Ne tunnetaan myös yksisuuntaventtiileinä, takaiskuventtiileinä tai takaisinvirtausventtiileinä. Niiden päätehtävänä on estää väliaineen takaisinvirtaus, estää pumpun ja käyttömoottorin kääntyminen ja väliaineen vuotaminen säiliön sisällä.


1. Matala virtausvastus: Kun API-takaiskuventtiili on täysin auki, virtausreitti on lähes esteetön, mikä johtaa alhaiseen painehäviöön.
2. Nopea sulkeminen ja takaisinvirtauksen esto: Venttiililevyn viputoiminto mahdollistaa nopean reagoinnin ja sulkemisen jopa takaisinvirtauksen alkaessa.
3. Laaja sovellettavuus: Soveltuu useille eri putkien halkaisijoille, DN50 - DN1200 ja enemmän.

Suorituskykyparametrit

Sarjanumero projektin nimi parametri
1 NimellispainePN (MPa) 150 LB 300 LB 600 LB 900 LB 1500LB 2500 LB
2.0 5.0 10.0 15.0 25.0 42.0
2 Kuoren lujuustestipaine Nimellispaine huoneenlämmössä 1,5 kertaa
3 Korkeapainetiivisteen testipaine Nimellispaine huoneenlämmössä 1,1 kertaa
4 Työpaine huoneenlämmössä Paina ASME B16.34 paine- ja lämpötilaluokitusta

Tuotteen tekniset tiedot

suunnittelustandardeja Rakenteen pituus Laippaliitoksen koko Testaus ja tarkastus Paineen ja lämpötilan referenssi
API6D/ASME B16.34 ASME B16.10 ASME B16.5 API598/API6D ASME B16.34

Pääosan materiaali

Osan nimi Materiaalin nimi
Runko A216 WCB A217 WC6 A351 CF8 A351 CF8M A351 CF3 A351 CF3M
korkki A216 WCB A217 WC6 A351 CF8 A351 CF8M A351 CF3 A351 CF3M
Venttiililevy A216 WCB A217 WC6 A351 CF8 A351 CF8M A351 CF3 A351 CF3M
Tiivistyspinta 13Cr/STL STL Runko / STL Runko / STL Runko / STL Runko / STL
Venttiilin akseli A182 F6a A182 F11 A182 F304 A182 F316 A182 F304L A182 F316L
Tiiviste Joustava grafiitti Joustava grafiitti Joustava grafiitti Joustava grafiitti Joustava grafiitti Joustava grafiitti
pultti A193 B7 A193 B16 A193 B8 A193 B8M A193 B8 A193 B8M
Mutteri A194 2H A194 4 A194 8 A194 8M A194 8 A194 8M
Käyttölämpötila -29 ~ 425 ℃ -29 ~ 540 ℃ -46 ~ 425 ℃ -46 ~ 425 ℃ -46 ~ 425 ℃ -46 ~ 425 ℃
Sopiva media höyryä höyryä Heikko syövyttävä Heikko syövyttävä Heikko syövyttävä Heikko syövyttävä

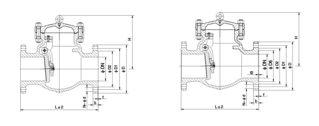
Päämuoto ja liitännän mitat

Nimellinen halkaisija koko
m sisään L D D1 D2 b f n-Φd H
H44H-150Lb
50 2 203 152 120.5 92 16 1.6 4-19 180
80 3 241 192 152.5 127 19 1.6 4-19 190
100 4 297 229 190.5 157 24 1.6 8-19 203
125 5 330 254 216 186 24 1.6 8-22 229
150 6 356 279 241.5 216 26 1.6 8-22 257
200 8 495 342 298.5 270 29 1.6 8-22 292
250 10 622 406 362 324 31 1.6 12-25 355
300 12 698 483 432 381 32 1.6 12-25 396
H44H-300Lb
50 2 267 165 127 92 23 1.6 8-19 178
80 3 318 210 168.5 127 29 1.6 8-22 216
100 4 356 254 200 157 32 1.6 8-22 241
125 5 400 279 235 186 35 1.6 8-22 267
150 6 444 318 270 216 37 1.6 12-22 305
200 8 533 381 330 270 42 1.6 12-25 368
250 10 622 445 387 324 48 1.6 16-29 394
300 12 711 521 451 381 51 1.6 16-32 445
H44H-600Lb
50 2 295 165 127 92 33 6.4 8-19 203
80 3 359 210 168 127 36 6.4 8-22 235
100 4 435 273 216 157 45 6.4 8-25 286
125 5 511 330 266.5 186 52 6.4 8-29 292
150 6 562 356 292 216 55 6.4 12-29 330
200 8 664 419 349 270 63 6.4 12-32 381
250 10 791 510 432 324 71 6.4 16-35 457
300 12 842 559 489 381 74 6.4 20-35 584

Rakenne kuva

Hot Tags: API-takaiskuventtiili, Kiina, räätälöity, laatu, kestävä, edistynyt, valmistaja, toimittaja, tehdas, varastossa
Lähetä kysely
Yhteystiedot
  • Osoite

    No.1, North 1st Road, Stainless Steel New Town, Lecong Steel World West Road, Shunde District, Foshan City, Guangdongin maakunta, Kiina

  • Sähköposti

    jinqiufamen@gmail.com

Jos sinulla on kysyttävää luistiventtiileistä, palloventtiileistä ja takaiskuventtiileistä tai hinnastosta, jätä meille sähköpostiosoitteesi, niin otamme sinuun yhteyttä 24 tunnin sisällä.

X
Käytämme evästeitä tarjotaksemme sinulle paremman selauskokemuksen, analysoidaksemme sivuston liikennettä ja mukauttaaksemme sisältöä. Käyttämällä tätä sivustoa hyväksyt evästeiden käytön. Tietosuojakäytäntö
Hylätä Hyväksyä