Tuotteet
Ruostumattomasta teräksestä valmistettu maapalloventtiili
  • Ruostumattomasta teräksestä valmistettu maapalloventtiiliRuostumattomasta teräksestä valmistettu maapalloventtiili

Ruostumattomasta teräksestä valmistettu maapalloventtiili

Kestävä J41H, J41Y, J41W ruostumattomasta teräksestä valmistettu palloventtiili JQF Valven valmistama. Sen avaus- ja sulkuosa on sylinterimäinen venttiililäppä, tiivistepinta on tasainen tai kartiomainen ja venttiililäppä liikkuu lineaarisesti nesteen keskilinjaa pitkin. Ruostumattomasta teräksestä valmistettu sulkuventtiili soveltuu vain täydelliseen avaamiseen ja sulkemiseen. Sitä ei yleensä käytetä virtausnopeuden säätämiseen. Sitä voidaan säätää ja kuristaa räätälöitynä.
Foshan Jinqiu Valve Co., LTD. on korkealaatuinen ruostumattomasta teräksestä valmistettu palloventtiilivalmistaja, joka yhdistää suunnittelun, kehityksen, valmistuksen, myynnin ja palvelun. Päätuotteitamme ovat erilaiset säätöventtiilit, sähköventtiilit, pneumaattiset venttiilit, solenoidiventtiilit, manuaaliset venttiilit, toimilaitteet ja venttiilitarvikkeet.
Ruostumattomasta teräksestä valmistettu palloventtiilimme on luistiventtiili, jossa on ruostumattomasta teräksestä valmistettu valurunko, laippaliitokset molemmissa päissä ja luistiventtiilirakenne. Sen ydintehtävänä on säätää tarkasti virtausta tai sulkea luotettavasti väliaine putkistoissa.
Erinomaisen korroosionkestävyytensä ja luotettavan tiivistyskykynsä ansiosta siitä on tullut yksi suosituimmista venttiileistä syövyttävissä aineissa tai erittäin puhtaissa sovelluksissa kemian-, petrokemian-, elintarvike- ja lääketeollisuudessa.
Customers trust JQF valves' high quality, reliable performance, and good and comprehensive customer service. We will continue to innovate to provide first-class valve solutions.

1. Yksinkertainen rakenne: Ruostumattomasta teräksestä valmistetun venttiilin rakenne on yksinkertainen, mikä tekee valmistuksesta ja ylläpidosta kätevää ja tehokasta.
2. Nopea vaste: Lyhyt työisku mahdollistaa erittäin nopean venttiilin avaamisen ja sulkemisen.
3. Kestävä tiivistys: Erinomainen tiivistysvaikutus, minimaalinen kitkavastus ja pitkä käyttöikä.

Executive Standard

Suunnittelutiedot: GB / T 12235
Rakenteen pituus: GB / T 12221
Laippaliitäntä: JB / T 79
Testi ja tarkastus: JB / T 9002
Tuotetunniste: GB / T 12220
Toimitustiedot: JB / T 7928

Suorituskykyparametrit

malli J41H-16C~160C J41Y-16C~160C J41W-16P~160P
Työpaine (MPa) 1,6 - 16,0
oikea lämpötila (℃) ≤425 ≤150
Sopiva media Vesi, höyry, öljy Heikko syövyttävä väliaine
materiaalia Runko, konepelti Hiiliteräs Kromi-nikkeli-titaani ruostumaton teräs
Venttiilin varsi Kromi ruostumaton teräs Kromi-nikkeli-titaani ruostumaton teräs
Tiivistyspinta Pinnoitus rautapohjaiset seokset Kovametalliseos Rungon materiaali
täyteaine Asbestigrafiitti, joustava grafiitti, PTFE

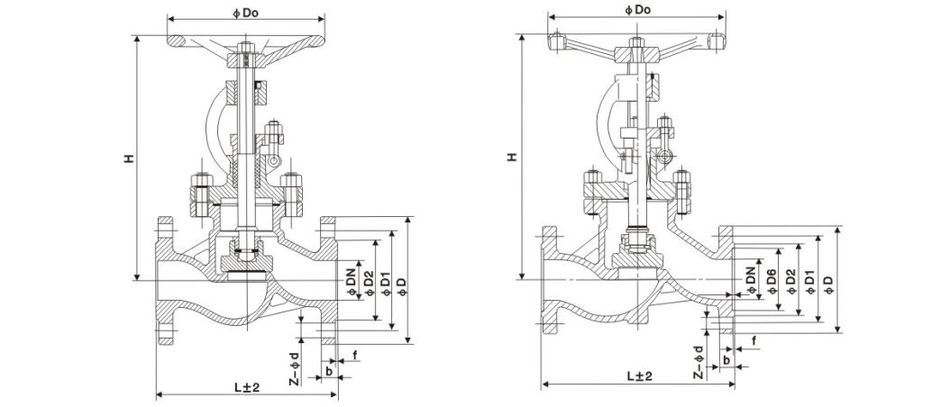
Päämuoto ja liitännän koko

Nimellinen halkaisija Päämitat ja liitosmitat
L D D1 D2 b Z-d H D0
J41H-16C
15 130 95 65 45 14-2 4-Φ14 170 120
20 150 105 75 55 14-2 4-Φ14 190 140
25 160 115 85 65 14-2 4-Φ14 205 160
32 180 135 100 78 16-2 4-Φ18 270 180
40 200 145 110 85 16-3 4-Φ18 310 200
50 230 160 125 100 16-3 4-Φ18 358 240
65 290 180 145 120 18-3 4-Φ18 373 240
80 310 195 160 135 20-3 8-Φ18 435 280
100 350 215 180 155 20-3 8-Φ18 500 300
125 400 245 210 185 22-3 8-Φ18 614 320
150 480 280 240 210 24-3 8-Φ23 674 360
200 600 335 295 265 26-3 12-Φ23 811 400
250 650 405 355 320 30-3 12-Φ25 969 450
300 750 460 410 375 30-3 12-Φ25 1145 580
350 850 520 470 435 34-4 16-Φ25 1280 640
400 980 580 525 485 36-4 16-Φ30 1452 640
J41H-25C
15 130 95 65 45 16-2 4-Φ14 170 120
20 150 105 75 55 16-2 4-Φ14 190 140
25 160 115 85 65 16-2 4-Φ14 205 160
32 180 135 100 78 18-2 4-Φ18 270 180
40 200 145 110 85 18-3 4-Φ18 310 200
50 230 160 125 100 20-3 4-Φ18 358 240
65 290 180 145 120 22-3 8-Φ18 373 240
80 310 195 160 135 22-3 8-Φ18 435 280
100 350 230 190 160 24-3 8-Φ23 500 300
125 400 270 220 188 28-3 8-Φ25 614 320
150 480 300 250 218 30-3 8-Φ25 674 360
200 600 360 310 278 34-3 12-Φ25 811 400
250 650 425 370 332 36-3 12-Φ30 969 450
300 750 485 430 390 40-4 16-Φ30 1145 580
350 850 550 490 448 44-4 16-Φ34 1280 640
400 980 610 550 505 48-4 16-Φ34 1452 640

Rakenne kuva

Hot Tags: Ruostumattomasta teräksestä valmistettu maapalloventtiili, Kiina, räätälöity, laatu, kestävä, edistynyt, valmistaja, toimittaja, tehdas, varastossa
Lähetä kysely
Yhteystiedot
  • Osoite

    No.1, North 1st Road, Stainless Steel New Town, Lecong Steel World West Road, Shunde District, Foshan City, Guangdongin maakunta, Kiina

  • Sähköposti

    jinqiufamen@gmail.com

Jos sinulla on kysyttävää luistiventtiileistä, palloventtiileistä ja takaiskuventtiileistä tai hinnastosta, jätä meille sähköpostiosoitteesi, niin otamme sinuun yhteyttä 24 tunnin sisällä.

X
Käytämme evästeitä tarjotaksemme sinulle paremman selauskokemuksen, analysoidaksemme sivuston liikennettä ja mukauttaaksemme sisältöä. Käyttämällä tätä sivustoa hyväksyt evästeiden käytön. Tietosuojakäytäntö
Hylätä Hyväksyä