Tuotteet
GB Standard Globe Valve
  • GB Standard Globe ValveGB Standard Globe Valve

GB Standard Globe Valve

Laadukkaat ja räätälöidyt J41H-, J41Y- ja J41W-tyyppiset GB standardipalloventtiilit valmistaa JQF Valve, ammattimainen venttiilivalmistaja Kiinassa. Niiden avaus- ja sulkuosat ovat sylinterimäisiä venttiililevyjä ja tiivistepinta on joko tasainen tai kartiomainen. Venttiililevyt liikkuvat lineaarisesti nesteen keskiviivaa pitkin. GB-standardipalloventtiilit soveltuvat vain täysin avoimiin tai täysin suljettuihin sovelluksiin, eikä niitä yleensä käytetä virtauksen säätelyyn, mutta virtauksen säätö ja kuristus voidaan suorittaa asiakkaan tarpeiden mukaan.
Foshan Jinqiu Valve Co., Ltd. is a manufacturing factory integrating valve R&D, manufacturing, sales, and service. Our durable GB standard globe valves are specifically designed for oxygen pipelines, ensuring safe, stable, and efficient operation. Made from high-quality materials and undergoing rigorous degreasing and cleaning processes, these valves effectively prevent combustion risks and guarantee reliable sealing performance.

Varastossa oleva GB-standardipalloventtiili sopii painealueille PN1.6-PN16 ja kokoille DN15-DN400, niitä käytetään aina metallurgiassa, kemianteollisuudessa, lääkekaasu- ja energiateollisuudessa.

Rakenteelliset ominaisuudet

Innovoimme jatkuvasti ja tavoittelemme huippuosaamista pysyen ajan tahdissa laadukkailla GB-standardin mukaisilla palloventtiileillä ja erinomaisella asiakaspalvelulla! Esittelemme aktiivisesti kehittyneitä laitteita, yritysjohtoa ja teknistä palveluhenkilöstöä pyrkien rakentamaan korkealaatuisen kotimaisen ja kansainvälisen venttiilibrändin. Toivotamme uudet ja vanhat asiakkaat tervetulleiksi vierailemaan ja tarkastelemaan tilojamme, tekemään yhteistyötä molemminpuolisen hyödyn hyväksi ja luomaan yhdessä parempaa tulevaisuutta!

Executive Standard

Suunnittelutiedot: GB / T 12235
Rakenteen pituus: GB / T 12221
Laippaliitäntä: JB / T 79
Testi ja tarkastus: JB / T 9002
Tuotetunniste: GB / T 12220
Toimitustiedot: JB / T 7928

Ominaisuudet

1. Virtaviivainen ja optimoitu rakenne: Yksinkertaistettu rakenne parantaa komponenttien valmistuksen ja laitteiden ylläpidon tehokkuutta 30 %. 2. Välitön avautumisen ja sulkemisen ohjaus: Mikroiskurakenteella saavutetaan avautumis- ja sulkeutumisnopeus 0,8 sekuntia sykliä kohden. 3. Pitkäkestoinen tiivistysjärjestelmä: Itsevoiteleva tiivistyspintatekniikka saavuttaa erittäin alhaisen kitkakertoimen; komposiittitiivistekerroksen ikääntymistä estävä käyttöikä on yli 50 000 avaus- ja sulkemisjaksoa.

Suorituskykyparametrit

malli J41H-16C~160C J41Y-16C~160C J41W-16P~160P
Työpaine (MPa) 1,6 - 16,0
oikea lämpötila (℃) ≤425 ≤150
Sopiva media Vesi, höyry, öljy Heikko syövyttävä väliaine
materiaalia Runko, konepelti Hiiliteräs Kromi-nikkeli-titaani ruostumaton teräs
Venttiilin varsi Kromi ruostumaton teräs Kromi-nikkeli-titaani ruostumaton teräs
Tiivistyspinta Pinnoitus rautapohjaiset seokset Kovametalliseos Rungon materiaali
täyteaine Asbestigrafiitti, joustava grafiitti, PTFE

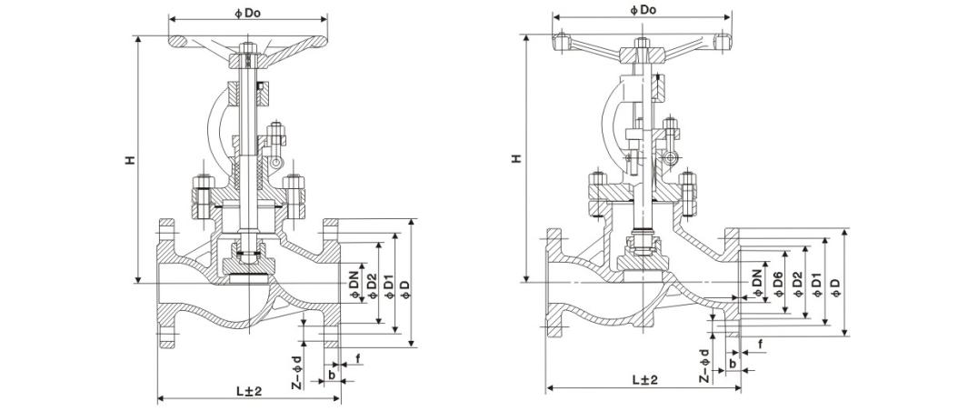
Päämuoto ja liitännän koko

Nimellinen halkaisija Päämitat ja liitosmitat
L D D1 D2 b Z-d H D0
J41H-16C
15 130 95 65 45 14-2 4-Φ14 170 120
20 150 105 75 55 14-2 4-Φ14 190 140
25 160 115 85 65 14-2 4-Φ14 205 160
32 180 135 100 78 16-2 4-Φ18 270 180
40 200 145 110 85 16-3 4-Φ18 310 200
50 230 160 125 100 16-3 4-Φ18 358 240
65 290 180 145 120 18-3 4-Φ18 373 240
80 310 195 160 135 20-3 8-Φ18 435 280
100 350 215 180 155 20-3 8-Φ18 500 300
125 400 245 210 185 22-3 8-Φ18 614 320
150 480 280 240 210 24-3 8-Φ23 674 360
200 600 335 295 265 26-3 12-Φ23 811 400
250 650 405 355 320 30-3 12-Φ25 969 450
300 750 460 410 375 30-3 12-Φ25 1145 580
350 850 520 470 435 34-4 16-Φ25 1280 640
400 980 580 525 485 36-4 16-Φ30 1452 640
J41H-25C
15 130 95 65 45 16-2 4-Φ14 170 120
20 150 105 75 55 16-2 4-Φ14 190 140
25 160 115 85 65 16-2 4-Φ14 205 160
32 180 135 100 78 18-2 4-Φ18 270 180
40 200 145 110 85 18-3 4-Φ18 310 200
50 230 160 125 100 20-3 4-Φ18 358 240
65 290 180 145 120 22-3 8-Φ18 373 240
80 310 195 160 135 22-3 8-Φ18 435 280
100 350 230 190 160 24-3 8-Φ23 500 300
125 400 270 220 188 28-3 8-Φ25 614 320
150 480 300 250 218 30-3 8-Φ25 674 360
200 600 360 310 278 34-3 12-Φ25 811 400
250 650 425 370 332 36-3 12-Φ30 969 450
300 750 485 430 390 40-4 16-Φ30 1145 580
350 850 550 490 448 44-4 16-Φ34 1280 640
400 980 610 550 505 48-4 16-Φ34 1452 640

Rakenne kuva

Hot Tags: GB Standard Globe Valve, Kiina, räätälöity, laatu, kestävä, edistynyt, valmistaja, toimittaja, tehdas, varastossa
Lähetä kysely
Yhteystiedot
  • Osoite

    No.1, North 1st Road, Stainless Steel New Town, Lecong Steel World West Road, Shunde District, Foshan City, Guangdongin maakunta, Kiina

  • Sähköposti

    jinqiufamen@gmail.com

Jos sinulla on kysyttävää luistiventtiileistä, palloventtiileistä ja takaiskuventtiileistä tai hinnastosta, jätä meille sähköpostiosoitteesi, niin otamme sinuun yhteyttä 24 tunnin sisällä.

X
Käytämme evästeitä tarjotaksemme sinulle paremman selauskokemuksen, analysoidaksemme sivuston liikennettä ja mukauttaaksemme sisältöä. Käyttämällä tätä sivustoa hyväksyt evästeiden käytön. Tietosuojakäytäntö
Hylätä Hyväksyä